► Features
Maximum Pressure 300PSI WOG
Maximum Temoerature 180°F
End Connection Threaded ANSI B1.20.1
Flare Connection (860FT) 45° Flare SAE
► Materials
Main Valve Body Cast Bronze ASTM B 584
Ball Brass ASTM B 16,Chromed Plated
Seat&Packing Teflon
Flare Fitting Brass ASTM B 16
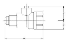
Specification
| No. | DN | Dimensions(Approximate) | |||||
| A | B | C | |||||
| Size | In | mm | In | mm | In | mm | |
| XD-LF1108 | 1/4"Mx F | 1 5/8 | 41 | 3/4 | 19 | 3/8 | 10 |
| XD-LF1109 | 1/8"Mx 45°SAE | 2 | 51 | 3/4 | 19 | 3/8 | 10 |
For use with backflow preventers, isolation valves for gauges, and isolation valves for small equipment lines.







